- НаличиеВ наличии
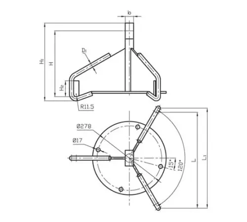
Коромысла лучевые типа КУ – это ответственный элемент линейной арматуры, предназначенный для подвески и крепления изоляторов и проводов на воздушных линиях электропередачи (ЛЭП) и открытых распределительных устройствах (ОРУ). Они обеспечивают надёжное соединение и правильное распределение механической нагрузки.
Использование коромысел КУ позволяет повысить надёжность и долговечность всей конструкции, обеспечивая безопасную эксплуатацию энергетических сетей. Они изготавливаются из высокопрочной стали, что гарантирует устойчивость к коррозии и значительным статическим и динамическим нагрузкам.
Мы предлагаем широкий ассортимент коромысел с разными качественными характеристиками для любых проектных задач:
- Масса: от 9,1 кг до 143 кг
- Разрушающая нагрузка: от 160 кН до 1800 кН
- Марки: 3КУ-135-1, 3КУ-16-1, 3КУ-180-1, 3КУ-30-1, 3КУ-45-1, 3КУ-60-1, 4КУ-45-1, 5КУ-25-1, 5КУ-60-1, 8КУ-53-1
Оформите онлайн-заказ или запросите коммерческое предложение для юридических лиц. Доставка по Слуцку и всей Беларуси, работаем по безналичному расчёту.
Нет отзывов об этом товаре.
Пока нет вопросов об этом товаре. Станьте первым!
