- НаличиеВ наличии
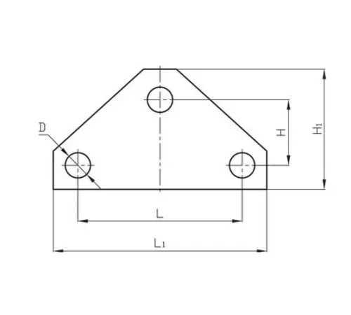
Коромысла типа К2 предназначены для монтажа и крепления изоляторов в линейной арматуре воздушных линий электропередачи (ЛЭП). Они обеспечивают надежное соединение и равномерное распределение механической нагрузки.
Использование коромысел повышает прочность и долговечность конструкции ЛЭП, что особенно важно для бесперебойного энергоснабжения промышленных объектов и населенных пунктов.
Изделия отличаются высоким качеством изготовления и соответствуют требованиям нормативной документации. Доступны модели с разрушающей нагрузкой 70 кН и 120 кН, что позволяет подобрать вариант для различных проектных задач.
Мы предлагаем коромысла К2 различных типоразмеров: длиной 160 мм и 195 мм, массой 1,5 кг и 2,5 кг, а также марки К2-7-1С и К2-12-2. Возможна оперативная доставка по всей Беларуси.
Нет отзывов об этом товаре.
Пока нет вопросов об этом товаре. Станьте первым!
