- НаличиеВ наличии
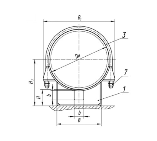
Опоры ТПР.05.29.00.000 предназначены для надежного крепления и поддержки трубопроводов в стационарных системах, обеспечивая их устойчивость и правильное положение. Эти конструкции незаменимы в промышленном строительстве и ЖКХ для распределения нагрузок и компенсации теплового расширения.
Использование опор повышает безопасность и долговечность трубных систем, предотвращая провисания и деформации. Это ключевой элемент для обеспечения бесперебойной работы магистралей, транспортирующих различные среды.
Изделия отличаются высоким качеством изготовления, прочностью и устойчивостью к коррозии. Доступны различные варианты наружного диаметра (Dн) труб: 57, 76, 89, 108, 133, 159, 194, 219, 273, 325, 377 мм, а также широкий диапазон масс для разных нагрузок.
Мы предлагаем множество модификаций (от ТПР.05.29.00.000-01 до ТПР.05.29.00.000-32), что позволяет подобрать идеальное решение для любого проекта. Для юридических лиц доступен безналичный расчет, онлайн-заказ и оперативное составление коммерческого предложения.
Нет отзывов об этом товаре.
Пока нет вопросов об этом товаре. Станьте первым!
